2017年に製作記事を書いていて

のべ8000人以上の多くの方が訪れてくれている

いらっしゃいませ
ありがとうございます
今回はその改造を行なったので備忘録として残しておきたい
改造というほどのいうほどのたいそうな?ものではないが
「バッツンノイズ」が気になる方も多いのでは?
秋月ヘッドホンアンプの改造
使っているうちに、電源ON/OFF時のバッツンノイズが気になってきた
それはボリュームをゼロにしておいても結構でかいし
ヘッドホンをつながずに電源をONにして
しばらく待ってからヘッドホンをつなぐと
その時の「バッツン」が特に気になる!ので
解消できる方法はないか?と試してみた

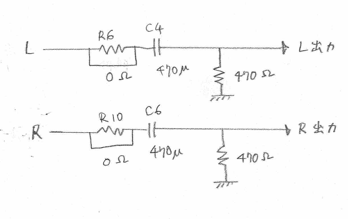
回路図

R4とR6は、秋月の説明書通り、組み上げた後に撤去した
それもポップノイズの原因になっていることは間違いないのだが
サウンドを重視して、R4とR6は撤去することが薦められている
10Ωあたりの小さな保護抵抗を入れるのもいいかも知れないが
今回やってみたこと
前述のように・・
ヘッドホンをつながずに電源をONにして
しばらく待ってからヘッドホンをつなぐと
その時の「バッツン」が特に気になる!
これはC4,C6の出力カップリングコンデンサーに溜まった電気が
一気にヘッドホンに流れ出して「バッツン」になると考えられる
C4,C6の後ろ側でアースに流れる道を作ってやろう
回路図


出力とアースの間に470Ωの抵抗を入れた!だけ!である
「あかんかった時?」にすぐに戻せるように
出力ジャックに空中配線!し、マステで絶縁
仮に配線して、音も問題ないことを確かめてからハンダ付けした
これが正に今回の私のニーズにピッタリコン!
電源ON時の「バッツン」は変わらない?が
電源をONにしてからヘッドホンをつないだ時の
「バッツン」は、ほとんどなくなった!
アンプをONにしてからヘッドホンのつないで!
OFFにする前にヘッドホンの抜けばいいのだ!

やったね
これで悩みはなくなった!
もう1点!の改造(モノラルでの使用)
ギターのサウンドチェックなどモノラルでの使用時
いちいち信号をパラってから、ケーブル2本をヘッドホンアンプにつないでいた


めっちゃめんどくさい
Lch側にだけ!ケーブルが刺さった時にMono

CLIFFジャックのスイッチを利用して・・
白い配線を1本足しただけ!
Lchのみにつなぐと、見事に両耳が鳴るようになった!

完成!

大成功!の巻!でした
やったね!


