自作エフェクター・歪み

自他共に認める機材オタクであり、ジサッカーでもあるが

そんな自作エフェクター熱?も

最近になって、何となく冷めたかなあ?

なんて思っていたのだが・・・

エフェクターボードを組む2025-4
2025年の夏私の中でいっぱい革命があったな大袈裟ぢゃなあエフェクターボードを組む2025-4エフェクターボードを組もう!と思ったのは自作も含めて、この夏に出会ったいくつかの機材による革命?だったと思う備忘録として残しておきたいその最たるも...

また、見つけてしまった

弾き手?の素晴らしさも勿論なのだが

クリアサウンドと歪みサウンドの境目?みたいなところがすごくい感じで

ピッキングニュアンスの出方がめっちゃ気持ちいい

もちろん!弾き手が上手いからなのだが

気になる!!

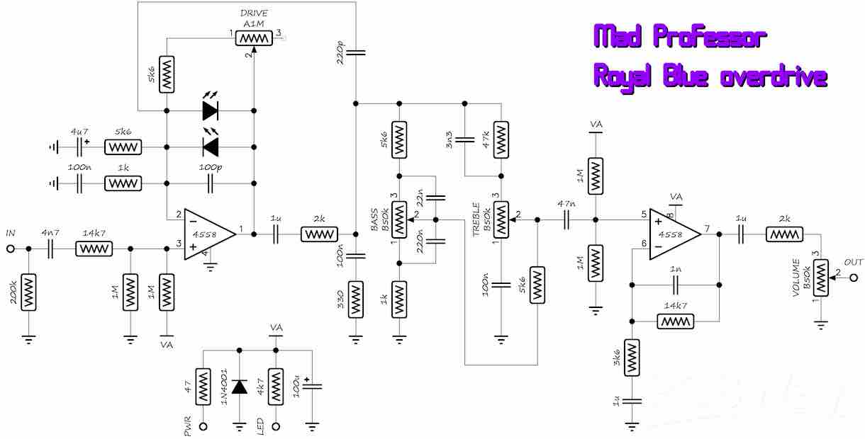
Royal Blue Overdrive

サウンドハウスでのレビューもたいへん良い

https://www.soundhouse.co.jp/products/detail/item/225453/?atnct=soundhouse

気になって追いかけてみると・・・

回路図も見つかるし

回路図

Pedal PCBで、基板も販売していることが分かった

Splendiferous Overdrive - PedalPCB.com
Compare to Mad Professor Royal Blue Overdrive

Pedal PCBの回路図

この回路図で間違いなさそう

そんなに複雑な回路ではない

トーンがトレブルとベースの二つに分かれていて

BAX的なEQになっているところがちょっとややこしいかな

そこだけ急にパーツ点数が増えるが

そこが魅力とも言える

3 Tone Preamp
すっかり忘れていたこんなのを持っていたというか、作ってたんだな10年以上前の製作である3 Tone Preampいつ作ったのか?も覚えていないが、ウクレレのプリアンプとして製作こちらのサイトから基板キットを購入Baxandall EQBax...
BB Preampの製作01
2019年の6月に購入した基板同年9月からプロジェクトを開始するもなかなか計画は進まず・・・そうこうしている間に2021年10月にはAion FXは、数種類あるすべてのBB Preampの回路をすべてトレースして研究し尽くしてその全てを公開...

さらに注目したのは・・・

電源まわり?

床置きペダル型のエフェクターなどでは当然のように

オペアンプを単電源(プラス電源のみ)で駆動させる

その場合は「バイアス電源」と呼ばれる1/2Vccが用意され

その1/2Vccを仮想アースのように回路構成される

フツー?のエフェクター電源部分

図中VAが9V、VBが1/2の4.5V

この回路では、こんなやり方で

信号入力ラインがいきなり1/2Vccになってる!

理論的には理解しているつもりであるが

ちょっと不思議な感じ?

これは初めての経験となる

これでいいんや!って感じ

この部分がサウンドに大きく関わっている気もする

信じないでね

ベロボードのレイアウトを発見!

Mad Professor Royal Blue Overdrive
Schematic is avaiable HERE .

このレイアウトで作ってみる?

大丈夫かなあ?

しっかり確かめてからな!

 

タイトルとURLをコピーしました